LSW Series
Rating: Bad Good
Your Review: Note: HTML is not translated!
LSW Series
LSW
LSW SERIES– High Intensity,Concentrated Ring Illumination
LED arrays are arranged densely for the light arrays to be concentrated to a spot for extreme bright light. By using a flexible PCB board,the product quality and efficiency could be improve as flexible boards are able to achieve optimized angle with variations of outer and inner diameter to target a work piece.
Applications: Substrate Inspection,Label Inspection,Flat Surface,Fiducial Recognition

/m8-and-m12-230921111321_170822110826.png)
LSW Series
|
Model |
Colour |
Voltage (V) / Watt (W) |
Current |
Weight (g) |
| LSW-00-040-2-X | ![]() |
24V / 1.44W 24V / 1.80W |
60mA 75mA |
40 |
| LSW-00-050-2-X | ![]() |
24V / 2.16W 24V / 2.88W |
90mA 120mA |
60 |
| LSW-00-070-3-X | ![]() |
24V / 4.32W 24V / 5.40W |
180mA 225mA |
120 |
| LSW-00-090-4-X | ![]() |
24V / 6.48W 24V / 8.28W |
270mA 345mA |
200 |
| LSW-15-038-2-X | ![]() |
24V / 1.44W 24V / 2.16W |
60mA 90mA |
38 |
| LSW-15-050-2-X | ![]() |
24V / 2.16W 24V / 2.52W |
90mA 105mA |
40 |
| LSW-15-070-2-X | UV375 | 24V / 4.32W | 180mA | 103 |
|
LSW-15-070-3-X |
IR850 |
24V / 4.32W |
180mA |
100 |
| LSW-15-090-4-X | ![]() |
24V / 7.92W 24V / 10.08W |
330mA 420mA |
180 |
| LSW-15-100-5-X | ![]() |
24V / 10.80W 24V / 13.68W |
450mA 570mA |
200 |
| LSW-30-040-2-X | ![]() |
24V / 1.80W 24V / 2.52W |
75mA 105mA |
40 |
| LSW-30-050-2-X | ![]() |
24V / 2.16W 24V / 2.88W |
90mA 120mA |
60 |
| LSW-30-070-3-X | ![]() |
24V / 4.32W 24V / 5.40W |
180mA 225mA |
120 |
| LSW-30-090-4-X | ![]() |
24V / 8.28W 24V / 10.44W |
345mA 435mA |
200 |
| LSW-45-050-2-X | ![]() |
24V / 2.16W 24V / 2.88W |
90mA 120mA |
70 |
| LSW-45-070-3-X | ![]() |
24V / 4.68W 24V / 5.76W |
195mA 240mA |
120 |
| LSW-45-090-4-X | ![]() |
24V / 8.28W 24V / 10.44W |
345mA 435mA |
200 |
| LSW-45-100-5-X | ![]() |
24V / 11.16W 24V / 14.40W |
465mA 600mA |
250 |

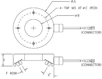
| Model | Dimensions (mm) | |||||
| ØA | ØB | ØC | D | E | F Row | |
| LSW-00-040-2-X | 43.0 | 15.0 | 28.0 | 20.0 | 0 | 2.0 |
| LSW-00-050-2-X | 54.0 | 23.5 | 41.0 | 20.0 | 0 | 2.0 |
| LSW-00-070-3-X | 70.0 | 26.0 | 56.0 | 20.0 | 0 | 3.0 |
| LSW-00-090-4-X | 92.0 | 40.0 | 70.0 | 20.0 | 0 | 4.0 |
| LSW-15-038-2-X | 38 | 15 | 28 | 16 | 15 | 2.0 |
| LSW-15-050-2-X | 50.0 | 28.0 | 40.0 | 16.0 | 15 | 2.0 |
| LSW-15-070-2-X | 70.0 | 32.0 | 56.0 | 20.5 | 15 | 2.0 |
|
LSW-15-070-3-X |
70.0 |
32.0 |
56.0 |
20.5 |
15 |
3.0 |
| LSW-15-090-4-X | 92.0 | 47.0 | 70.0 | 20.5 | 15 | 4.0 |
| LSW-15-100-5-X | 103.0 | 48.0 | 80.0 | 22.0 | 15 | 5.0 |
| LSW-30-040-2-X | 46.0 | 20.0 | 35.0 | 16.5 | 30 | 2.0 |
| LSW-30-050-2-X | 54.0 | 23.5 | 41.0 | 18.0 | 30 | 2.0 |
| LSW-30-070-3-X | 70.0 | 32.0 | 56.0 | 20.0 | 30 | 3.0 |
| LSW-30-090-4-X | 92.0 | 48.0 | 70.0 | 22.0 | 30 | 4.0 |
| LSW-45-050-2-X | 54.0 | 25.0 | 44.0 | 20.0 | 45 | 2.0 |
| LSW-45-070-3-X | 70.0 | 35.0 | 60.0 | 21.0 | 45 | 3.0 |
| LSW-45-090-4-X | 92.0 | 52.0 | 70.0 | 24.0 | 45 | 4.0 |
| LSW-45-100-5-X | 100.0 | 48.0 | 80.0 | 30.0 | 45 | 5.0 |
Write a review
Name:Rating: Bad Good
Your Review: Note: HTML is not translated!
Related Products








/direct illumination/direct illumination shower series/LSW/lsw-black_120822105852-120x180_0.png)
/direct illumination/direct illumination shower series/LSW/lsw_120822105800-120x180_0.png)
/direct illumination/direct illumination shower series/LSW/lsw-main_120822105800-120x180_0.jpg)
/direct illumination/direct illumination shower series/LSW/lsw-led_120822105800-120x180_0.jpg)
/direct illumination/direct illumination shower series/LSW/lsw-cable_120822105800-120x180_0.jpg)
/direct illumination/direct illumination shower series/LSW/lsw-back_120822105800-120x180_0.jpg)
